相數:3相
工作類型:連續
絕緣等級:B級
防護等級:IP40
旋轉方向:順時針方向(CW)
可加配行星減速機、編碼器
15817488109
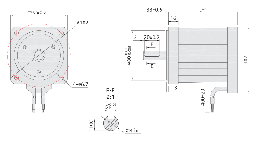
電機型號 | 輸出功率 | 電源電壓 | 額定轉矩 | 額定轉速 | 機身長MAX | 極數 | 適配驅動 |
92BL81-30L2 | 300 | 24 | 0.9 | 3000 | 81 | 10 | DBL-2450H 22-36VDC |
92BL81-30L4 | 300 | 48 | 0.9 | 3000 | 81 | 10 | DBL-4850H 22-56VDC |
92BL111-30H2 | 500 | 48 | 1.5 | 3000 | 111 | 10 | |
92BL111-30L4 | 500 | 220 | 1.5 | 3000 | 111 | 10 | DBH-750DS 110-260VAC |
92BL141-30H2 | 750 | 220 | 2.3 | 3000 | 141 | 10 |
★漢德保還可以為客戶提供:總線型步進驅動器(RS485、CANopen)。
★漢德保還可以為客戶定制:輸出功率、輸入轉速、輸入電壓、輸出軸定制。

注意事項:
1、務必用電機前端蓋的安裝凸臺定位,并注意公差配合,嚴格保證電機輸出軸與負載的同心度。
2、為減少電機振動產生的噪音,務必將電機牢牢地固定在強韌的金屬面上。
3、電機與驅動器連接時,請勿接錯相。
4、在直流無刷電機通電的狀態下不可插撥插頭。
5、直流無刷電機分解后不可再組裝使用。

上一款產品:80mm直流無刷電機
下一款產品:123mm直流無刷電機